1
2
3
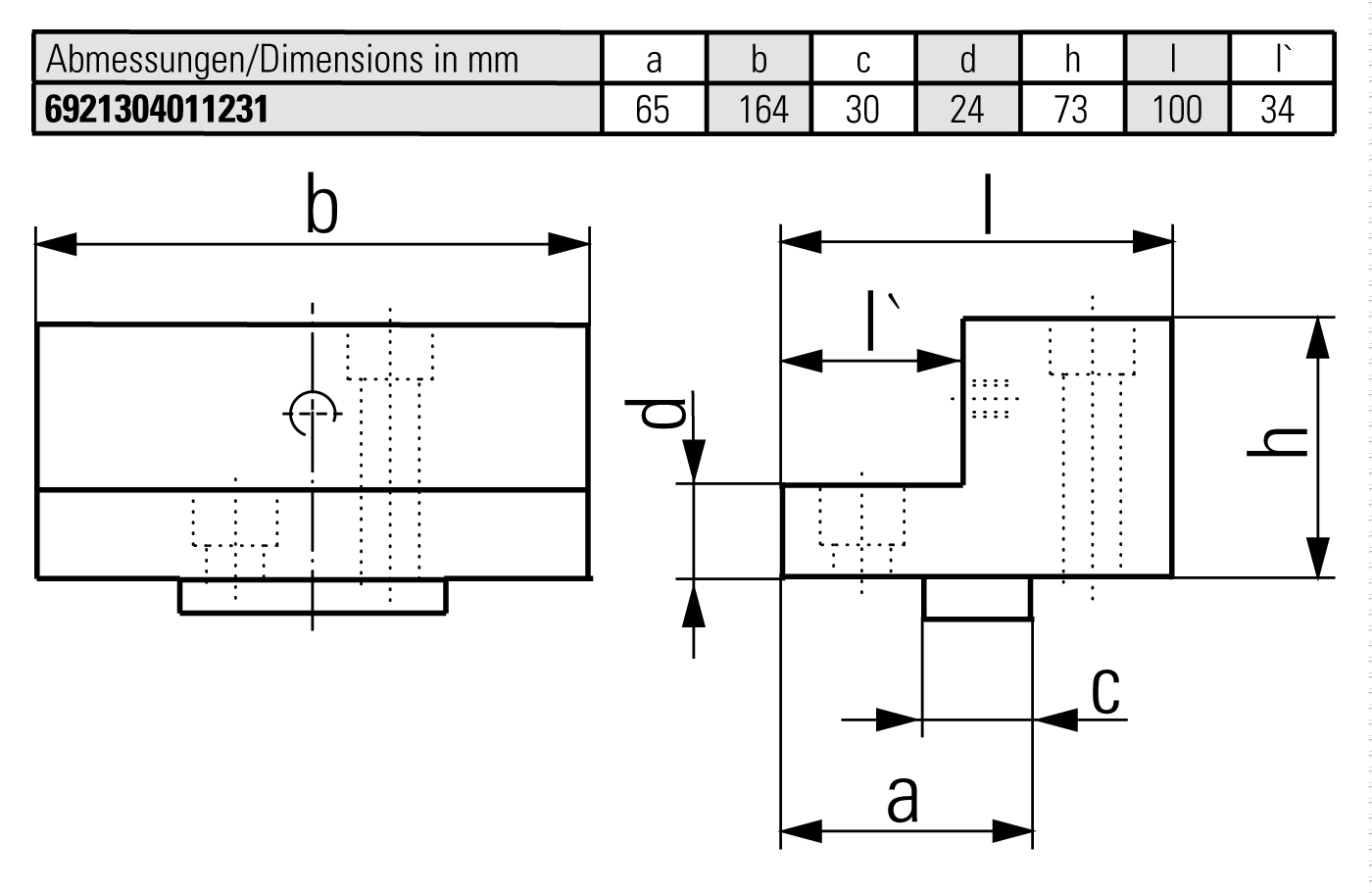
    • Werkstoff: Stahl
    • Einsatzgehärtet und angelassen 680 +80 HV30; Eht= 0,5 +0,3
    • Spannflächen geschliffen
    • Zusätzliches Gewinde auf der Stufenseite zur Aufnahme der HD Backen
    • Click-System auf der hohen Seite

       
    Abmessungen/mm - a
    65
    Abmessungen/mm - b
    164
    Abmessungen/mm - c
    30
    Abmessungen/mm - d
    24
    Abmessungen/mm - h
    73
    Abmessungen/mm - l
    100
    Abmessungen/mm - l`
    34
    • 1x Adapterbacke mobil
    • 2x Zylinderschrauben DIN 912 M16x30
    • 2x Zylinderschrauben DIN 912 M16x90


    Adapterbacke mobil

    Artikelnummer: 6921304011231
    Allmatic

    160 mm


    arrow_upward