1
2
3
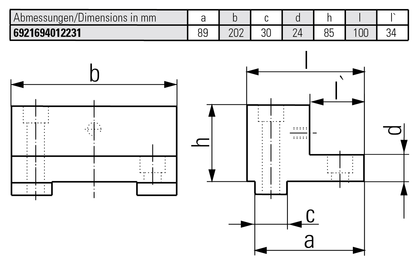
    • Werkstoff: Stahl
    • Einsatzgehärtet und angelassen 680 + 80 HV30; Eht 0.5 +0.3
    • Spannflächen geschliffen
    • Zusätzliches Gewinde auf der Stufenseite zur Aufnahme der HD Backen

       
    Abmessungen/mm - a
    89
    Abmessungen/mm - b
    202
    Abmessungen/mm - c
    30
    Abmessungen/mm - d
    24
    Abmessungen/mm - h
    85
    Abmessungen/mm - l
    100
    Abmessungen/mm - l`
    34
    • 1x Adapterbacke fix
    • 2x Zylinderschrauben DIN 912 M16x30
    • 2x Zylinderschrauben DIN 912 M16x90

    Adapterbacke fix

    Artikelnummer: 6921694012231
    Allmatic

    200 mm



    arrow_upward