1
2
3
    • Werkstoff: Stahl gehärtet
    • Gehärtet 680 + 80 HV30; Eht 0,5 + 0,3
    • Zum Spannen von parallel vorbearbeiteten, kleinen Werkstücken
    • Weiter verbesserte Zugänglichkeit zum Werkstück durch schlanke und hohe Bauform – optimal auch für kurze Werkzeuge
    • Stirnfläche (Stufe) zusätzlich hartmetallbeschichtet um sicheres Spannen zu gewährleisten – erhöhte Haltekraft um min. Faktor 2 gegenüber glatten Spannflächen
       
       
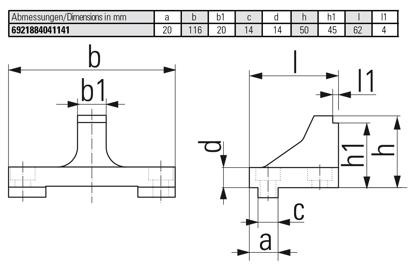
        Abmessungen/mm - a
        20
        Abmessungen/mm - b
        116
        Abmessungen/mm - b1
        20
        Abmessungen/mm - c
        14
        Abmessungen/mm - d
        14
        Abmessungen/mm - h
        50
        Abmessungen/mm - h1
        45
        Abmessungen/mm - l
        62
        Abmessungen/mm - l1
        4

        1x Backe breitenreduziert 20 mm fix
        2x Zylinderschrauben DIN 912 M10x20
        2x Zylinderschrauben DIN 912 M10x30

        Backe breitenreduziert 20 mm fix

        Artikelnummer: 6921884041141
        Allmatic

        20 mm


        arrow_upward