1
2
3
4
    • Ermöglicht ungehinderten Zugang zum Werkstück auch mit kurzen Werkzeugen
    • Zum Spannen von kleinen bis mittelgroßen Werkstücken
    • Rohteilspannung (auch Rundmaterial) über je 2 verstellbare Grippeinsätze möglich (Grippeinsätze im Lieferumfang nicht enthalten)
    • Backen mit Click-System für Stufenleisten
    • Geschliffene Stirnfläche als Spannfläche nutzbar 
    • Lieferumfang ohne Einsätze
       
       
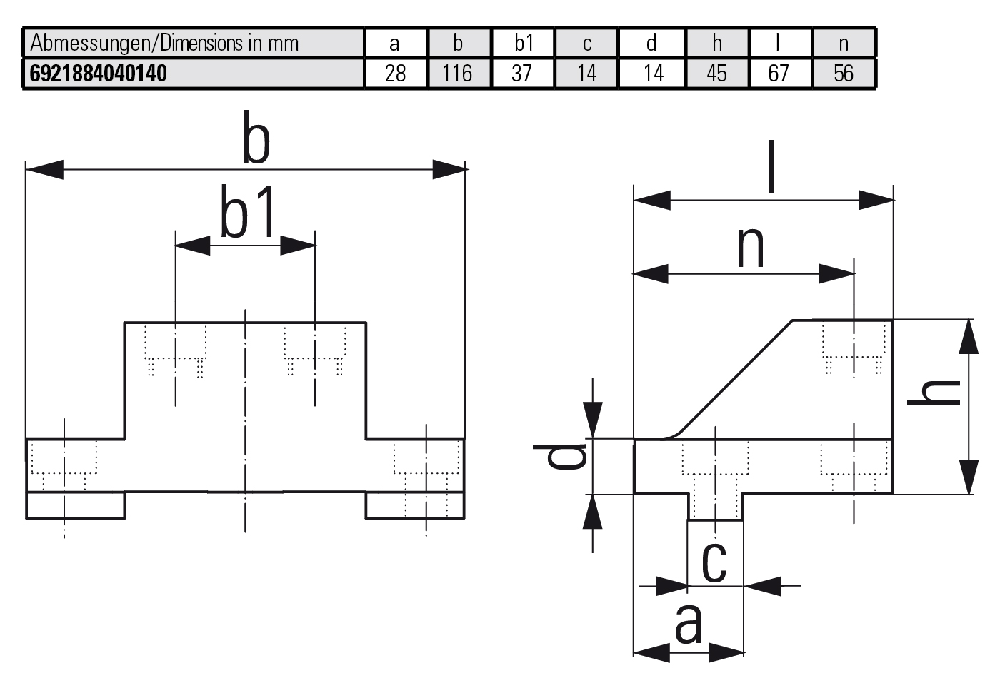
        Abmessungen/mm - a
        28
        Abmessungen/mm - b
        116
        Abmessungen/mm - b1
        37
        Abmessungen/mm - c
        14
        Abmessungen/mm - d
        14
        Abmessungen/mm - h
        45
        Abmessungen/mm - l
        67
        Abmessungen/mm - n
        56

        1x Backe breitenreduziert 64mm fix
        2x Zylinderschrauben DIN 912 M10x20
        2x Zylinderschrauben DIN 912 M10x30

        Backe breitenreduziert 64 mm fix

        Artikelnummer: 6921884040140
        Allmatic

        64 mm


        arrow_upward