1
2
3
4
5
    • Werkstoff: Stahl gehärtet
    • Einsatzgehärtet und angelassen 680 + 80 HV30; Eht 0.5 +0.3
    • Hohe und Stufenseiten mit Gewinde für Stufenleisten
    • Spannflächen geschliffen
    • Zusätzliche Gewinde auf der hohen Seite zur Aufnahme der HD Backen (Typ 125 – 200)
    • Für einschraubbare Grippeinsätze geeignet
    • Erste und zweite Spannung ohne Backenumbau möglich
    • Click-System auf der hohen Seite


    • Achtung: da die Backen keinen Pendel haben sind Sie nur geeignet für rechteckige Werkstücke (Sägeschnitte) // <= 0,5 (Parallelität kleiner gleich 0,5 mm) bzw. zylindrische Werkstücke <= 0,5 (Rundheit kleiner gleich 0,5)


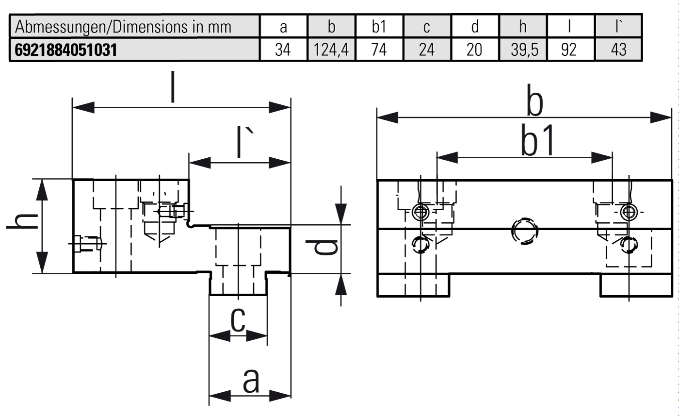
    Abmessungen/mm - a
    34
    Abmessungen/mm - b
    124,4
    Abmessungen/mm - c
    24
    Abmessungen/mm - d
    20
    Abmessungen/mm - h
    39,5
    Abmessungen/mm - l
    92
    Abmessungen/mm - l`
    43
    Abmessungen/mm - b1
    74

    1x Stufenbacke fix für Grippeinsätze
    2x Zylinderschrauben DIN 912 M12x25
    2x Zylinderschrauben DIN 912 M12x45 

    Stufenbacke fix für Grippeinsätze

    Artikelnummer: 6921884051031
    Allmatic

    125 mm


    arrow_upward