1
2
3
4
5
  • Werkstoff: Stahl gehärtet
  • Hohe und Stufenseiten mit Gewinde für Stufenleisten
  • Spannflächen geschliffen
  • Zusätzliche Gewinde auf der hohen Seite zur Aufnahme der HD Backen (Typ 160)
  • Für einschraubbare Grippeinsätze geeignet
  • Erste und zweite Spannung ohne Backenumbau möglich
  • Click-System auf der hohen Seite (siehe konventionelle Spannung)

Achtung: Da die bewegliche Backe keinen Pendelausgleich hat, ist sie geeignet für rechteckige Werkstücke (Sägeschnitte) // <= 0,5 (Parallelität kleiner gleich 0,5 mm) bzw. zylindrische Werkstücke O <= 0,5 (Rundheit kleiner gleich 0,5 mm)

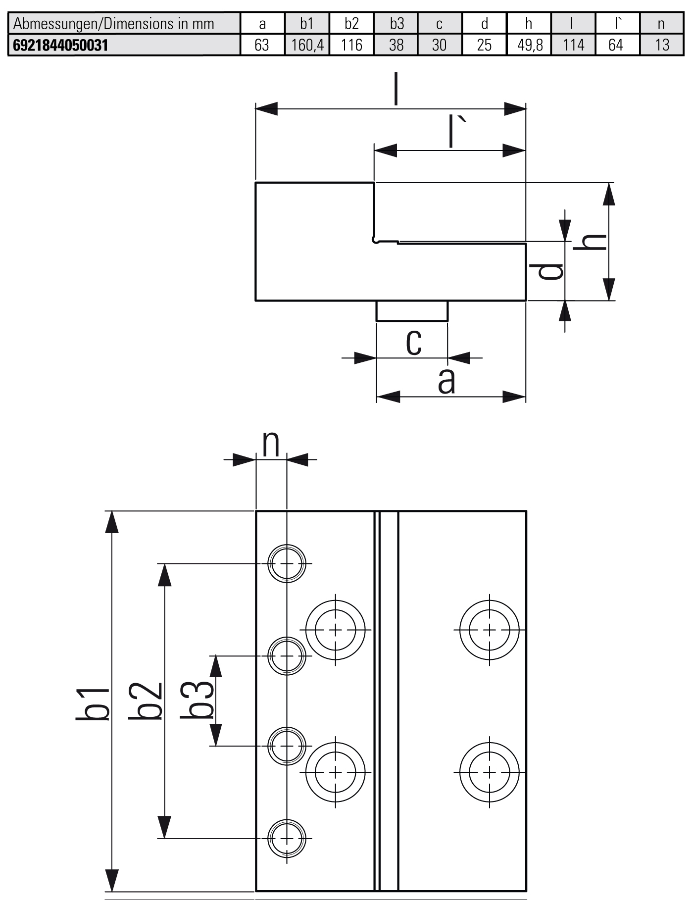
Abmessungen/mm - a
63
Abmessungen/mm - c
30
Abmessungen/mm - d
25
Abmessungen/mm - h
49,8
Abmessungen/mm - l
114
Abmessungen/mm - l`
64
Abmessungen/mm - b1
160,4
Abmessungen/mm - b2
116
Abmessungen/mm - b3
38
Abmessungen/mm - n
13

1x Stufenbacke mobil für Grippeinsätze 160
2x Zylinderschrauben DIN 912 M16x30
2x Zylinderschrauben DIN 912 M16x55

Stufenbacke mobil für Grippeinsätze 160

Artikelnummer: 6921844050031
Allmatic

160 mm


arrow_upward