1
2
3
4
5
  • Werkstoff: Stahl gehärtet
  • Einsatzgehärtet und angelassen 600 + 50 HV10; Eht = 0,2
  • Ermöglicht ungehinderten Zugang zum Werkstück auch mit kurzen Werkzeugen
  • Zum Spannen von kleinen bis mittelgroßen Werkstücken
  • Für einschraubbare Grippeinsätze geeignet
  • Erste und zweite Spannung ohne Backenumbau möglich
  • Click-System auf der hohen Seite
    Achtung: Da die bewegliche Backe keinen Pendelausgleich hat, ist sie geeignet für rechteckige Werkstücke (Sägeschnitte) // <= 0,5 (Parallelität kleiner gleich 0,5 mm) bzw. zylindrische Werkstücke O <= 0,5 (Rundheit kleiner gleich 0,5 mm)
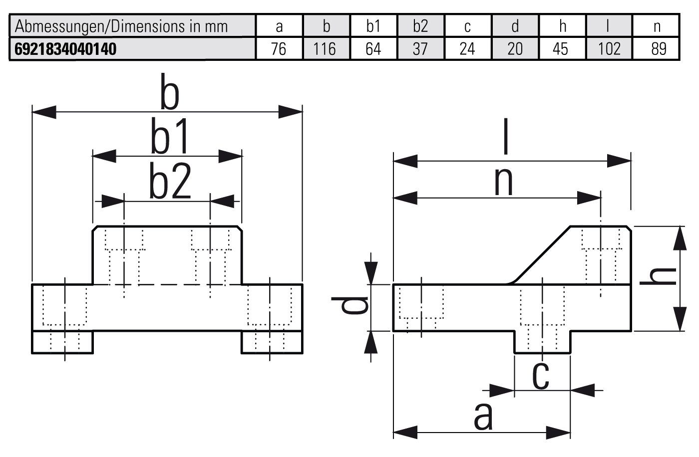
Abmessungen/mm - a
76
Abmessungen/mm - b
116
Abmessungen/mm - c
24
Abmessungen/mm - d
20
Abmessungen/mm - h
45
Abmessungen/mm - l
102
Abmessungen/mm - b1
64
Abmessungen/mm - b2
37
Abmessungen/mm - n
89

1x Backe breitenreduziert 64 mm fix für Grippeinsätze
2x Zylinderschrauben DIN 912 M12x25
2x Zylinderschrauben DIN 912 M12x35

Backen breitenreduziert 64 mm fix für Grippeinsätze

Artikelnummer: 6921834040140
Allmatic

64 mm


arrow_upward