1
2
3

Product features:

  • Tool-less force setting in 11 steps with a mechanical stop for safe operation, max. clamping force 28 kN
  • Constant, reproducible clamping force with mechanical power-assist
  • Proven maintenance-free and encapsulated high-pressure spindle, thus minimised cleaning requirements
  • Basic body made of GJS-60
  • Guideway inductively hardened and ground
  • Aligning grooves in the base face
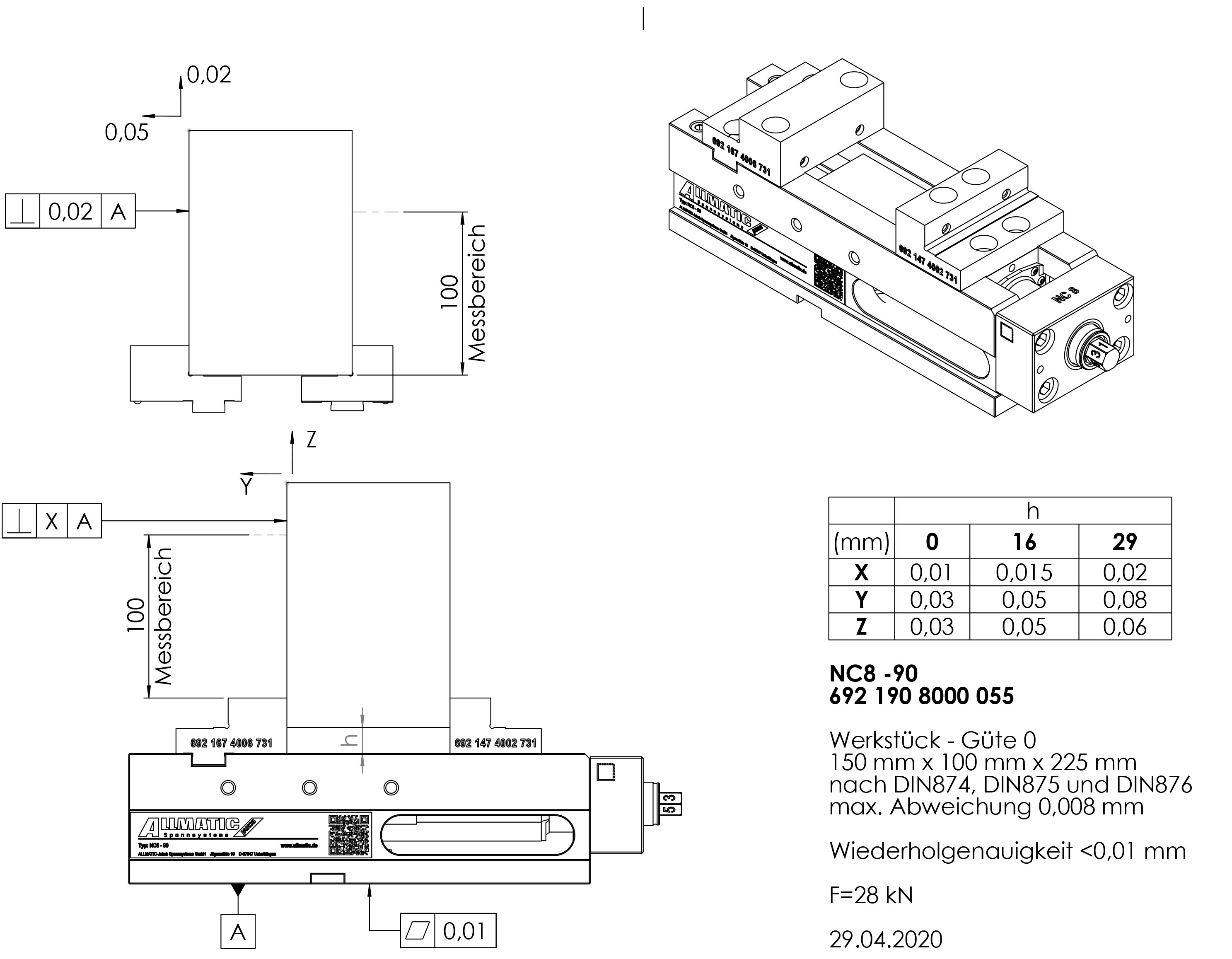
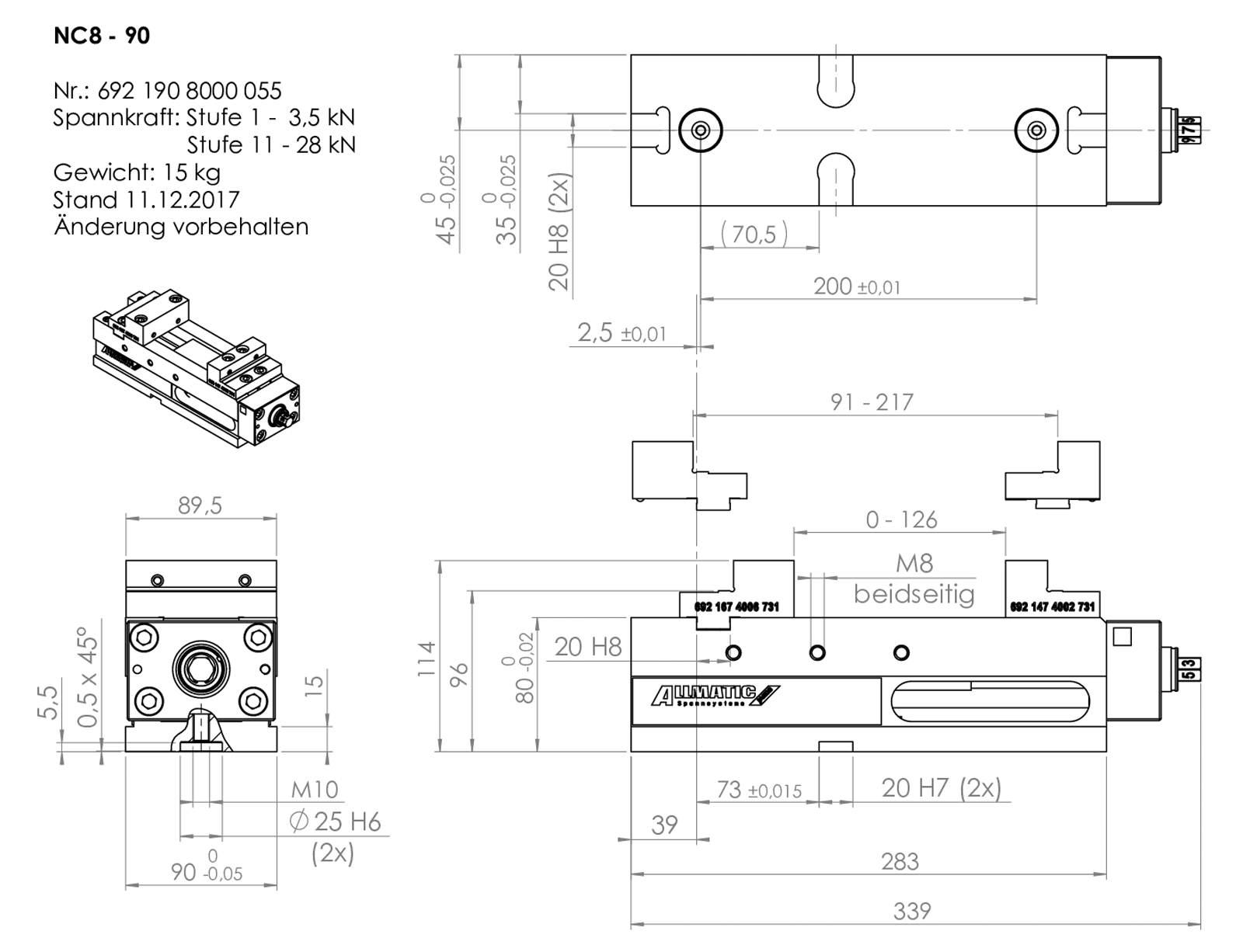
  • Standard with locating holes Ø 25H6 M10 for zero point clamping systems; Inside micrometre 200mm ± 0.01mm
  • Evenness of basic body 0.01 mm
  • Height of basic body ground -0.02 mm
  • Width of base body ground -0.05 mm, therefore can be used laterally
  • Quick-change system for add-on jaws and parallels
  • Reversible jaws: for min. / max. chuck (0-217mm) capacities with one pair of jaws
  • Fixed jaw, simple programming thanks to constant zero
  • Closing and opening of the complete clamping range including clamping process with a hand crank
  • The total length is independent of the workpiece size
  • Dimensions NC8 as for LC/TC
  • Jaw interface compatible with LC/TC
  • 3 threads per side for lateral workpiece stops M8
  • Connection thread for angle drive
  • Individual QR code for fast access to technical information, accessories, replacement parts and repair costs
Clamping range S1/mm
0-126
Clamping range S2/mm
91-217
Clamping force increments
11
max. clamping force in kN
28
Jaw width/mm
90
min. Clamping range/mm
0
max. Clamping range/mm
217
Version
Mechanical
Workpiece
Pre-machined parts

1x Vice NC8 - 90
1x Step jaw fix
1x Step jaw movable
1x hand crank
4x clamping claws
1x Quick-Start-Guide 

NC8 90

Article number: 6921908000055
Allmatic
  • Ideal for use on 3-axis and 4-axis machining centres
  • For conventional clamping

Suitable accessories
Extend this product with ALLMATIC accessories. Simply enter the desired number of individual accessory items and add them to the shopping cart.

NEO-Reader App

Article number: 100NEO0000100 QR Reader App

Step jaw fixed

Article number: 6921674006731 090 mm

Step jaw movable

Article number: 6921474002731 090 mm

Hard basic jaw fixed

Article number: 6921674005731 090 mm

Hard basic jaw movable

Article number: 6921674004731 090 mm

Master jaw adapter fixed

Article number: 6921674012231 090 mm

Master jaw adapter movable

Article number: 6921274011231 090 mm

Pivot jaw, movable

Article number: 6921674020142 090 mm

Click parallels h29 (pair)

Article number: 6921175029042 090 mm

Click parallels h16 (pair)

Article number: 6921175016042 090 mm

Parallels h13 (pair)

Article number: 6921475013031 090 mm

Side clamps (pair)

Article number: 6921015000231 090 - 100 mm

Hand crank

Article number: 6921685508031 90 - 200 mm

Angular drive

Article number: 6921905700043 090 mm

Hexagonal extension

Article number: 6921685512040 90 - 200 mm

Hexagonal extension

Article number: 6921685512140 90 - 200 mm

Jaw fixing bolt

Article number: 6921011023000 M10x23

Workpiece stop

Article number: 6921285650144 Suitable for all types

Workpiece stop

Article number: 6921685670042 Suitable for all types

Aligning and fixing set T-slot 12/M10

Article number: 6921285600031 For pallet and machine table

Aligning and fixing set T-slot 14/M12

Article number: 6921285601031 For pallet and machine table

Aligning and fixing set T-slot 16/M14

Article number: 6921285602031 For pallet and machine table

Aligning and fixing set T-slot 18/M16

Article number: 6921285603031 For pallet and machine table

Aligning and fixing set T-slot 22/M16

Article number: 6921285607031 For pallet and machine table

Revolvable eye bolt M8

Article number: 8027020008103
Suitable accessories
Extend this product with ALLMATIC accessories. Simply enter the desired number of individual accessory items and add them to the shopping cart.
To cart
shopping_cart

arrow_upward